Alamo Schematics, Service
manual or circuit diagram £1.80 (~ $2.20 or €2.10)

Schematics
Search
Valve
Data
Transistor
Data
Contact
Information
Free
Radio Books
Privacy
Policy

Trustpilot
5 Star Trust Pilot

Click on a blue link in the search results for a bigger image and to order your Alamo schematic

26 Alamo models listed

Model
Click to Order!
Year Book/
Source
File Type/
Volume
Page/
Ext
Preview/
Status
Alamo 2360 ;Capri-FileAlamo-Capri ;2360_2360 ;Capri_Capri 2360.Amp.poorAmplifierpdfthumb
Alamo 2RCM1947RiderRider 16Misc Alamo Electronic1thumb
Alamo 3 Embassy ;6SJ7 version1951FileFender-5C1 ;Champ_Champ ;5C1(Alamo-3 Embassy ;6SJ7
version_3_Embassy)-1951.Amp
Amplifierpdfthumb
Alamo 3 Embassy ;6SL7 version1961FileAlamo-3 Embassy ;6SL7 version_3_Embassy-1961.AmpAmplifierpdfthumb
Alamo 31951FileFender-5C1 ;Champ_Champ ;5C1(Alamo-3 Embassy ;6SJ7
version_3_Embassy)-1951.Amp
Amplifierpdfthumb
Alamo 31961FileAlamo-3 Embassy ;6SL7 version_3_Embassy-1961.AmpAmplifierpdfthumb
Alamo 501948RiderRider 17Alamo Electronic3thumb
Alamo AEC3RMCB1947RiderRider 16Misc Alamo Electronic1thumb
Alamo Capri ;2360-FileAlamo-Capri ;2360_2360 ;Capri_Capri 2360.Amp.poorAmplifierpdfthumb
Alamo Capri 2360-FileAlamo-Capri ;2360_2360 ;Capri_Capri 2360.Amp.poorAmplifierpdfthumb
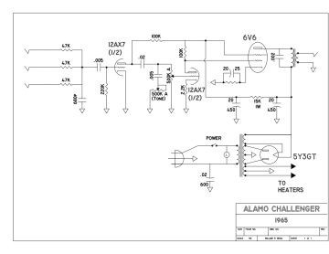
Alamo Challenger1965FileAlamo-Challenger-1965.AmpAmplifierpdfthumb
Alamo Embassy1951FileFender-5C1 ;Champ_Champ ;5C1(Alamo-3 Embassy ;6SJ7
version_3_Embassy)-1951.Amp
Amplifierpdfthumb
Alamo Embassy1961FileAlamo-3 Embassy ;6SL7 version_3_Embassy-1961.AmpAmplifierpdfthumb
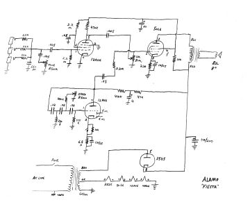
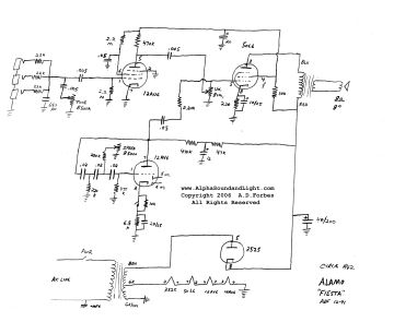
Alamo Fiesta1962FileAlamo-Fiesta-1962.AmpAmplifierpdfthumb
Alamo Fiesta1962FileAlamo-Fiesta-1962.HandDrawn.ampAmplifierpdfthumb
Alamo Jet ;2564-FileAlamo-Jet ;2564_Jet 2564.Amp.poorAmplifierpdfthumb
Alamo Jet 2564-FileAlamo-Jet ;2564_Jet 2564.Amp.poorAmplifierpdfthumb
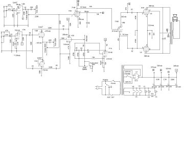
Alamo Montclair 26561975FileAlamo-Montclair 2656_Montlair ;2656-1975.Amp.poorAmplifierjpgthumb
Alamo Montclair-FileAlamo-Montclair.AmpAmplifierpdfthumb
Alamo Montclair1965FileAlamo-Montclair-1965.AmpAmplifierpdfthumb
Alamo Montlair ;26561975FileAlamo-Montclair 2656_Montlair ;2656-1975.Amp.poorAmplifierjpgthumb
Alamo Paragon ;Special-FileAlamo-Paragon ;Special_Paragon Special.AmpAmplifierpdfthumb
Alamo Paragon Special-FileAlamo-Paragon ;Special_Paragon Special.AmpAmplifierpdfthumb
Alamo PR11949RiderRider 18Misc Alamo Electronic2thumb
Alamo PR21948RiderRider 17Alamo Electronic1thumb
Alamo Radioette1949RiderRider 18Misc Alamo Electronic2thumb
PayPal Logo
These radio, TV, record player, amplifier, amp and tape or cassette recorder schematics, circuit diagrams and service manuals are mostly high quality, very readable scans and will usually be Emailed within an hour or two, if I need to scan an item, or it's the middle of the night, it may take a little longer! Here in the UK it is 10:40. If more than one schematic is listed for a model I will generally send them all, unless too big to attach! Specialising in British schematics Roberts, Hacker, Bush, Pye etc. also American and German manuals feature strongly, search for what you need. Multi page manuals are Emailed as pdfs. Please Email or phone 0788 4425213 Thanks for looking, Mike.

Search for your Schematic



Fill in the "Make" and "Model" boxes, if you are unsure of the model, leave it blank and I will list ALL models for that manufacturer, similarly if you only have the model number leave "Make" blank and I will list similar model names from ALL manufacturers. How to repair your radio. More explanation here. Some sources searched :-
Book SetKEYYears
J.F. Riders Perpetual Rider 1920-54
Trader Service sheets Trader 1933-81
Beitmans Radio Diags Beitman 1926-69
Beitmans TV Diagrams BeitmanTV 1947-70
Gernsback Radio Diags. Gernsback 1922-34
Empfanger Schaltungen ES 1928-57
RCA Service Notes RCASN 1923-52
Broadcaster Supplements Broadcaster 1934-42
Radio and TV 36 vol set RTV 1945-86
Radio and TV 5 vol set RTV5 1945-54
Crosley Service Suppls. Crosley 1929-42
My Pre-scanned Files File =>2022
The search logic is slightly "fuzzy" in that it's case insensitive and ignores punctuation so, model TR-510 is the same as tr510, and G.E.C is the same as "gec".

(247201 schematics* by 1828 different manufacturers indexed!)
Updated 18th. Dec 2023


Search Time = 26 results in 31.0 mS. Log
ABCAC DaytonAccurateAce
ACECAceToneAcheAcme
AcornAcousticAcousticalAcra Test
Acra ToneAdaAdaptolAddison
Admiral ;AustraliaAdretAdvance ElectricAdvance
AdventAEAAEGAEI
AELAeonicAeradioAerialite
AeriolaAero MetalAero MotiveAero Products
AerodyneAetnaAFBAffiliated
AGEAgilentAH GrebeAhemo
AimsAir CastleAir ChiefAir King
Air KnightAir MinistryAir RadioAirline
AirmecAiroAirtoneAirzone
AiwaAjaxAJSAkai
AKGAkkordAkradAlamo
AlanAlbaAlchemistAlden
AlesisAlfaAlgeneAllander
AllesandroAllied Engineering InstituteAlliedAllocchio Bacchini
AlphaAlpinistAltarAltec Lansing
AltoAmalgamatedAmatoAmbassador
AmberAMCAmcronAmerican Bosch
American DataAmerican Foundation For the BlindAmerican MeriLeiAmerican Motors
American TransformerAmerican TVAmericanAmeritron
AmpegAmpexAmphenolAmplion
AmproAmradAmstradANC
AndreaAngstremANKAnsley
Antique SoundAntoneAnubicsAola Schlaak
ApexApogeeApparatusAppel Henderson
AppletonAppliedApprovedArborphone
ArcadiaArcamArcherArdent
ArelArenArenaArgos
ArgosyArgusAriaAriane
ArielArionAristocratAristona
AristophoneArkayArmstrongARP
ARTArthur AnsleyArtoneArvin
ArzamasAshtonAskarAstars
AsterAstorAstradAstron
AtariAtchisonAthenaAtlantic
AtlasAtwater KentAudarAudinac
Audio DesignAudio NoteAudio ResearchAudiola
AudiolabAudiolineAuriconAustin
AustrovoxAutocratAutomaticAutomovil
AutophonAutoradioAutoSuperAutovox
AvcoAvery FisherAviolaAVO
AWAAward SessionAwardAxess
AzdamAztecBad StoneBadcat
BairdBalcombeBaldwinBalkeit
BalkiteBallantineBandBoxBandmaster
Bang and OlufsenBannerBarcusBarker
BarRadioBARTGBASFBassMan
BauerBBCBBEBeaning
BeckerBeedeBeethovenBehringer
BeitmanBekoBelcoBelcom
Bell and HowellBellBelleBelmont
BelsonBeltekBendixBengal
BenksonBensonBeogramBeolit
BerdskBERECBerlinBernard
BernburgBerning SeigfriedBertonciniBespeco
BettersetBF GoodrichBGWBiennophone
BiggBinatoneBinsonBK
Black HeartBlackhawkBlackstarBlaupunkt
Blocs AccordBlohmBlonderBlue Spot
BobinasBogenBognerBolt
BondBoogieBoschBose
BossBrandesBrandtBraun
BrayheadBRCBremerBremi
BrentwoodBretingBrewsterBriconic
BrimarBrionvegaBritamerBroadcaster
BronswickBrookBrown BoverieBrown
BrownieBrowningBRTBRTR
BrunoBrunswickBrushBSR
BTEBTHBTSBuchla
BuckinghamBudBugeraBuick
BulovaBurbdeptBurgessBurgoyne
BurmanBurndeptBurnsBurrell
BushBushLaneBushManualButler
BYEBylockCable NelsonCAC
CadillacCalradCalselCalvert
CameoCampanelaCamtecCanadian Radio
Canadian WestinghouseCapehartCapitolCaravan
CarischCarlinCarlsbroCarousel
CarronCarterCarverCarvin
CaseCastillaCavelcadeCBS
CelestionCentral EquipmentCenturyCER
CGEChakophoneChampChampion
ChancellorChannel MasterChannelCheliabinsk
ChevroletChieftanChryslerCihan
CiscoCities Service OilCitronicCivilian
ClagoClarionClasse ;AudioClearsonic
CleartoneClimaxClintonClipper
ClydonCMCCoast to Coast Codar
Col R TelCollaroCollinsCollorado
ColonialColor soundColortelColumbia
ComixCommonwealthConcordConrad Johnson
ConsolidatedConsomelloContessaContinental
ConvairCoOpCoronaCoronado
CoronetCorvairCorvetteCosmos
CossorCouchCourierCraftsmen
CrateCRCCrescentCrest Audio
CromwellCrosleyCrownCrumar
CrystalCTRCurrysCyldon
CyrusCzeijaDAFDan Armstrong
DanelectroDanoDansetteDansk
DARBDartingtonDataDaven
David BogenDavid GrimesDaxonDay Fan
DayRadDaystromDaytonDB
DBXDe ForestDean MarkleyDecanno
DeccaDeccasoundDefiantDelco
DelmonicoDeltaDeltalabDenco
DenonDesotoDetrolaDeVar
DeWaldDickersonDictographDiezel
DigitechDioraDKEDnepropetrovsk
DodDodgeDominionDon Lee
DorchesterDoricDouglasDrake
DrummerDTWDual EngineeringDual
DucatiDucretetDukaneDulci
DuMontDumortierDunlopDwektronix
DynacoDynacordDynakitDynaport
DynatronEagleEAPEAR
EarlEarthEasternEAW
ECAEchophoneEchoplexEchoTape
EckenrothEckoEcksteinEddystone
EdenEdison BellEdisonEdiswan
EDPEdwardsEffedibiEgnater
EH ResearchEH ScottEHRAEico
EkcoEkosonicEkotapeEL Rey
ElbegElbiaElcophonElectone
ElectradElectric AutoliteElectric AutomotiveElectric Specialties
Electrical ResearchElectro AcousticElectro BetrriebElectro Harmonix
Electro MaticElectro TechnicalElectroHomeElectromuse
Electronic CorpElectronic Dream PlantElectronic LabsElectronic Music Labs
ElectrophoneElectroplexElectroVoiceEletrofone
ElgarElizabethanElkElka
ElmugElpicoEltraElxon
EMCEmerson ;ArgentinaEMIEmisonic
EMLEMMEmorEmpire Designing
Empire ElectricalEMSEmtronEMU
EmudEMWEnekaEngl
English ElectricEnvoyEpiphoneERLA
ErmsaERTErwaES
EspeyEsquireEsteyEstyma
EtraEtronicEumigEurophon
EurophoneEvansEverreadyExcelsior
ExelradFacitFactotumFADA
FairbanksFairchildFairlightFalcon
FalksFansteelFapesaFarfisa
FarnellFarnsworthFarrandFasma
Federal ManufacturingFederal RadioFederalFederated
FelgateFenderFergusonFerrando
Ferranti ;SimilarFerrarFerrisFerrograph
FiatFidelityFinluxFiolent
FirestoneFirst National RadioFisherFisk
FittonFJ FitzgeraldFleetwoodFlorac
FlukeFlush WallFM SpecialitiesFNR
FonotalkFord PhilcoFordFordson
FourierFoxxFramusFranklin
FreedFrench JesseFreshmanFret and Foot
Frost MintonFultonFunkstrahlFurguson
FurgusonicFurmanFuttermanFuturama
GalaxyGallien KruegerGalvinGamble Skogmo
GarnetGarodGarrardGates
GBCGCHQGE ;ArgentinaGEC
GecophoneGelosoGemGemeinschafts
GenalexGeneral DynamicsGeneral FireGeneral Household
General ImplementGeneral IndustriesGeneral InstrumentGeneral Radio
General TVGenericGenRadGeodyn
GernsbackGerufonGetaGiannina
GibsonGigracGilbertGilfillan
GladstoneGlobeGMGoblin
Goerz MetrawattGolden TubeGoldentoneGoldpfiel
GoldringGoldstarGonsetGoodmans
GoodYearGordon ElfGothamGould
GraetzGraham PaigeGraham PhilcoGrainger
GramaphoneGramdeckGrammontGrampian
GranadaGrancoGrandinGrant
GrantlineGrasmanGrasmannGraves
Gray DanielsonGrayGraybarGrebe
GregoryGretschGrigsbyGrommes
GrooveTubeGrossGroznyGrundig
GTGuildGuitar ResearchGulbransen
H ClarkeHACHackerHaco
HagenukHagstromHalcyonHale
HallicraftersHalsonHamegHamilton
HammarlundHammondHanimexHansen
Harman KardonHarmonyHarold SheversHarris
HartkeHarty YoungHarvardHarvey Wells
HastingsHatryHEAHealing
Hear All ContinentsHeathHeathkitHeli
HenryHenrys RadioHerbert HornHermes
HetroHF LabsHH ;ElectronicsHH Scott
Hi LoHickokHitachiHiwatt
HKHMGCCHMV ;AustraliaHMV New Zealand
HoffmanHohnerHondaHoodwin
HornyHornyphonHotpointHoward
HPHudson MotorsHudson RossHudson
Hughes KettnerHupmobileHuthIbanez
IberiaICAIcomIdeal
ImefonImpactImperialIncarRadio
IndesitIndustria RadiotecnicaIndustrial ElectronicIndustrial Instruments
InelroIngelenInsulineIntensofunk
InterceptorInterMIntermarkInternational Detrola
International industriesInternationalInterOceanInterstate
InvictaInvictusIrradioIskra
ITTJ G GravesJacksonJadis
JahnkeJamesJasonJBL
JDJefferson TravisJenJenkins
JenningsJerroldJerry DonahueJesse
Jet CityJewelJimi HendrixJMF
John MeckJohn RadioJohnsonJolida
JordanJothaJP SeeburgJuergen Simon
JugoJungmannJupiterJVC
JW DavisKaar EngineeringKadetteKaiser
KalamazooKamenskKampoKappler
KapschKaradioKawaiKay
KBKeighleyKeller FullerKellog
Ken BrownKennedyKenproKent
KenwoodKernwoodKetayKiev
KingKingsKingstonKishtim
KittyhawkKlangfilmKlemtKLH
KlingerKnightKnightKitKO
KochKodelKolledaKonka
KorgKortingKosmovoxKoyo
KrakauerKramolinKrefftKriesler
KrishkeKrohlerKudelskiKurzweil
KustomKW communicationsKylectronL and L
L TatroLabogaLafayetteLamagna
LamcoLandryLaneyLang
LangeLangevinLarinkoLaselle
LaurehkLeaderLeakLeander
LearLectrolabLeipzigLembeck
LeningradLesamLesleyLeslie
LeutzLevellLewolLewt
LexiconLifcoLincolnLine 6
LinearLissenLoeweLoftin
LoganLohjaLondon CityLondon Electric
LongLordLorenzLotus
Loud ;TechnologiesLowreyLTPLumophon
LuxorLyricLytle and CanonMac
MackayMackieMacoMacy
Madison MooreMadrigalMaestoMaestro
MagatoneMagic ToneMagnadyneMagnatone
MagnavoxMaguireMaihakMains Radio Gramaphones
MaintainenceMajesticMajorMallory
MantelMantolaMarantzMarc
Marconi ;CanadaMarconiphoneMarcucciMarelli
MargolinMark SimpsonMarkMarkBass
MarlboroMarmaxMarshallMarti
MartinMasbelMascoMashpriborintorg
Master CareMaster RadioMasteradioMasterpiece
MatchlessMatsushitaMaxonMazda
MBLEMcCarthyMcIntoshMcMichael
McMillanMcMurdoMeazziMebgeratebau
MeckMectronMediatorMegard
MeggerMeissnerMelburnMelorad
MelosMendeMercantileMercury
MesaMeteorMetrodyneMetropolitan Vickers
MetzMEWMFAMicro Electronic
Micro RadioMicrontaMidlandMidwest
MilitaryMillsMilwaukeeMinerva
MinskMiracoMirageMission Bell
MissionMitchellMitsubishiMivar
MohawkMoldedMonarchMonelectric
MonitorMonogramMonsantoMontgomery Ward
MoogMoparMorleyMorphy Richards
Moscow Deaf AidMoscowMoskovskyMosrite
MotekMoto MeterMotoMotorola
MotoviaMotovoxMoulinexMRTZ
Mullard ;AustraliaMultitoneMultivoxMunston
MuntzMurphy ;New ZealandMusaphonicMusette
Music ManMusicaidMusicaireMusical Fidelity
MusiqueMuzakMXRNAD
NaiwaNakamichiNanaolaNash
NassauNathanialNational AcousticalNational Carbon
National CooperativeNational DobroNational PanasonicNational Radio Company
National Radio InstituteNational Radio ProductsNational Tape RecorderNational Transformer
National UnionNationalNatoNavico
NavigatorNavshipsNECNetwork
NeumannNewcombeNewmaticNH Radio
NiemannNintendoNisslNivico
NizhegorodskyNobelsNoblex BernaNoblex Carina
Noblex FabulinoNoblexNoblitt SparksNora
NorcoNord MendeNorden HauckNorelco
NorlinNormaNorthcourtNorthEastern Engineering
Northern ElectricNorthern RadioNorthlandNova
NovakNovatorNRINSF
NSMOahuOakOberheim
OceanicOctaveOKOkean
OldsmobileOldsmodbileOlympicOmega
OnkyoOpelOperadioOpta
OrangeOrionORROrsha
OrthonOsakaOsramOwin
OzarkaPacentPacific RadioPacific Research
PacificPackard BellPackard Motor CarPackard Philco
PackardPageantPaillardPalace
PalecPalomarPAMPamphonic
PanasonicPanatropePanoramicParamount Radio
ParkParker MccroryParmakParos
ParsekPathePatonPatterson
Pearce SimpsonPearcePearlPeavey
PedersenPeerlessPellegrinettiPennine
PentronPerdioPerfectonePeter Pan
Peto ScottPfanstiehlPhiccoPhico
PhilbrickPhilco ;ItalyPhilettaPhilharmonic
Philips ;AmericaPhillips PetroleumPhilmorePhonic
PhonolaPierce AiroPierce ArrowPierce
Pierson DelanePiersonPifcoPig Nose
PilgrimPilotPioneerPizon
PlaycraftPlaymatePlaze MusicPlessey
PlustronPlustronicsPlymouth PhilcoPlymouth
PoliotPolytonePolyvoxPontiac
Popular MechanicsPort0MaticPortadynePorto Baradio
Porto ProductsPorto RadioPorto ServerPortodyne
PortogramPowersoftPrecedentPrecision Radio
PrecisionPremierPriessProctor Silex
PromenettePulse TechniquesPure OilPuritan
PurotonePurple CowPuxingPye ;Australia
PyewayQSCQTXQuad
QualitonQuanTechQuartz LockRacal
RadfordRadialvaRadiartRadiette
Radio Acoustic ProductsRadio and TelevisionRadio ChassisRadio Circular
Radio Development ResearchRadio DisplaysRadio ElectricRadio Engineering
Radio GramRadio KitsRadio MarineRadio Product
Radio ProductsRadio RecepterRadio ReceptorRadio Rentals
Radio ServiceRadio ShackRadio TechnicRadio Trading
Radio UnionRadio VisionRadio WireRadiobar
RadioCorpRadioetteRadioExchangeRadiofon
RadiolaRadiolaGramRadioletteRadiomarelli
RadiometerRadioMobileRadioneRadionette
RadionicRadiopriborRadiotehnikaRadiotron
RadiotropeRadolekRAFRainbow
RandallRankRanserRAP
RASRatRaulandRay
RaymondRaytheonRBMRCA
RCASNRCFRCRRCS
RE LacaultReadRiteRealisticRecording Devices
RedBearRediffusionRedifonRees Mace
RegalRegencyRegentRegentone
ReicoRemaRemlerRenard
RenaultRent a SetREORepanco
RepublicRERRetraRevelation
RevereRevoxRexelRFT
RFWRGDRGHRheem
RhodesRIRick CampbellRickenbacker
RickToneRiderRigasRigonda
RiveraRiwecoRK RadioRM Electric
RMERMSERobert LawrenceRoberts ;USA
RobertsonRobuckRobukRocke International
RockfordRockolaRodgersRogers Majestic
RogersRohde SchwarzRolaRoland
RolaxRollandRomacRoss
RRRRRRSCRSS
RTRTV Cross ReferenceRussellRuwel
SABASachsenwerkSAESalara
SaloraSam AshSampsonSams
SamsonSamsungSangamoSangean
SangoSanoSanshinSansui
SanyoSaradulSargent EMSargent Rayment
SavageSavil RadioSBESBR
ScandynaSchalecoSchallerSchaub
SchlaakSchlumbergerScott TransformerScott
SDCSea pal RadioSearle AeroSears Roebuck
SeatSecoSeiberlingSeibt
SeimensSelenaSelmerSemcor
SencoreSentinelSequentialService
Session MasterSetchell CarlsonSeymour DuncanShamrock Radio
SharpSheafferShelleySheridan
SherwoodSicartSiemensSiera
Signal Battery CompanySignal ElectronicsSilcoSilver King
Silver MarshallSilverSilvertoneSimmons
Simms WattsSimplexSimplonSimpson
SinclairSingerSingleSintar
SkanticSkodaSky RoverSlagle
SleeperSMSmithsSNR
SobellSobolSocoraSOE
SokolSolarSolartronSolaSound
SoldanoSolectricSoltonSommerkamp
SonaSonarSonatelSonocraft
SonolorSonoraSony ;AustraliaSound City
Sound MirrorSound View MarineSoundSoundcraft
SoundesignSovtekSparks WithingtonSparton
SpatzSpencer WestSpencerSpezial
SpicaSpidolaSpiegelSpika
SplawnSplitdorfSpragueSRA
SRTStairs WintersStancorStandard Radio Telefon
StandardStandelStanleyStar Raider
StarStarckStargStark
StartfordStartonStassfurtStaudigl
STC ;AustraliaSteelmanSteiniteStella ;New Zealand
StenodeStereo FullStereoStereoSound
SterlingSternStewart RadioStewart Turner
Stewart WarnerStingerStory ClarkStrad
StratfieldStraussStrawberry BlondeStrobotuner
Stromberg CarlsonStudebakerStudiomasterStuzzi
SudfunkSunbeamSundownSunn
SuperiorSuperstarSupertoneSuprem
SupremeSuproSvenska Radio AktiebolagetSvetlovodsk
SwanSwirluxSWRSylvania
SymphonyTaffetTakTalk-a-Phone
TandbergTandyTannoyTapco
TascamTasmaTatungTaylor
TCATCETEACTech
TechnicsTeclemitTectronixTefag
TefiTeiscoTekadeTekelec
TektronixTele KingTele ToneTelechron
TelecoinTeledyneTelefunkenTelephone
TelequipmentTeletonTeletronTelevian
TelevisionTraining InstituteTelsenTempleTempleTone
TempovoxTentoTertaTesla
TexanTHDThermThomson
ThomsonHoustonThordarsonThornThroens
TITiffany ToneTimeElectronicsTitan
TMCTMKToddTokyo HY Labs
TomThumbTonomacTopecoTophat
TornTornisterTorotorTorres
ToshibaToshibaManualTrace ElliotTrader
TradioTrainwreckTrans ArenaTransatlantic
Transformer CorpsTransitoneTransmission ProductsTransvision
TravellerTravlerTraynorTriangle
TricityTrimaxTrioTriplet
TrixTRKTropic AireTroubador
TroyTrue ValueTruetoneTruphonic
TruvoiceTruVoxTUACTurner
Tyrman ElectricUcoaUherUKW
UltraUltradyneUltramarUnda
UnicUnicordUnidenUnited Air Cleaners
United Motor ServiceUnited MotorsUnited RecordingUnited Reproducers
United ReproductionUnitedUnitraUniversal Battery
UniversalUniversumUnivoxUnKnown
US ElectricUS RadioUS TelevisionUSAF
UtahUTCV LectricalValco
ValiantValradioVan Der MolenVandyke
VarleyVEBVEFVega
VelodyneVickersVictorVictoreen
Video CorporationVideodyneVidorView
ViewtoneVikingVision Research LabsVM
VocolineVoice of MusicVolksVolkswagen
VolmarVoronezhVoxVoxson
VSEVWWacoWaldSchidt
WalgreenWalker George WWalterWaltham Standard
WalthamWanYongWardWare
WarnerWarwickWatermanWatkins
WattWattersonWaveTekWayfarer
WayneKerrWBWebcorWebster
WecoWegaWells GardnerWEM
WestburyWestern Air PatrolWestern AutoWestern Electric
Western RoyalWesternWestinghouseWestminster
WestonWestoneWextarkWeymouth
WeyradWharfedaleWhite IbbotsonWhite
WhiteleyWhitleyWholesaleWiking
WilcoWilcox GayWillardWilliam J Murdock
WillysWincoWindsorWings
Wireless SetWireRecorderWoolarocWorkrite
World RadioWQXRWRLWT Grant
WT KnottWundercartWurlitzerXtal
YaesuYamahaYorkYorkville
ZaneyZanusiZaporizhzhyaZenith
ZenitronZentroZephyrZetavox