Horny Schematics, Service
manual or circuit diagram £1.80 (~ $2.20 or €2.10)

Schematics
Search
Valve
Data
Transistor
Data
Contact
Information
Free
Radio Books
Privacy
Policy

Trustpilot
5 Star Trust Pilot

Click on a blue link in the search results for a bigger image and to order your Horny schematic

159 Horny models listed

Model
Click to Order!
Year Book/
Source
File Type/
Volume
Page/
Ext
Preview/
Status
Horny 1038L1942FileHorny_Hornyphon-1038L-1942.RadioRadiojpgthumb
Horny 35B V 11935FileHorny_Hornyphon-Rex 35B V 1_35B V 1-1935.RadioRadiojpgthumb
Horny 35G IV 11935FileHorny_Hornyphon-Prinz 35G IV 1_35G IV 1-1935.RadioRadiojpgthumb
Horny 35GW V 11935FileHorny_Hornyphon-REX 35GW V 1_35GW V 1-1935.RadioRadiojpgthumb
Horny 35W II 11935FileHorny_Hornyphon-Prinz 35WII 1_35W II 1-1935.RadioRadiojpgthumb
Horny 35W II 31935FileHorny_Hornyphon-Rex 35W II 3_35W II 3-1935.RadioRadiojpgthumb
Horny 35W1935FileHorny_Hornyphon-Olympic 35W_35W-1935.RadioRadiojpgthumb
Horny 37W E142-FileHorny_Hornyphon-E142_37W E142_Olympic.1.RadioRadiojpgthumb
Horny 39KV1939FileHorny_Hornyphon-Prinz 39KV_39KV_Prinz Kraftverstarker
-1939.Radio
Radiojpgthumb
Horny 565X1940FileHorny_Hornyphon-565X_Souveran 40W-1940.RadioRadiojpgthumb
Horny 637L1941FileHorny_Hornyphon-637L_ZwergSuper-1941.RadioRadiojpgthumb
Horny 637LK1941FileHorny_Hornyphon-637LK_ZwerSuper-1941.RadioRadiojpgthumb
Horny 737A1941FileHorny_Hornyphon-737A-1941.RadioRadiojpgthumb
Horny Attache1959Filephilips-Revue 60_B3A93A(Horny_Hornyphon-Attache
_W369A)-1959.Radio
Radiopdfthumb
Horny Belcanto B1934FileHorny_Hornyphon-Belcanto B-1934.RadioRadiojpgthumb
Horny Belcanto G1934FileHorny_Hornyphon-Belcanto G-1934.RadioRadiojpgthumb
Horny Belcanto W1934FileHorny_Hornyphon-Belcanto W-1934.2.RadioRadiojpgthumb
Horny Belcanto W1934FileHorny_Hornyphon-Belcanto W-1934.RadioRadiojpgthumb
Horny BV 11935FileHorny_Hornyphon-Maestro BV 1_BV 1-1935.RadioRadiojpgthumb
Horny Carmen1957FileHorny_Hornyphon-W359U_Carmen-1957.RadioRadiojpgthumb
Horny E1221936FileHorny_Hornyphon-E122_Rio W_Rio W E122-1936.RadioRadiojpgthumb
Horny E1311936FileHorny_Hornyphon-E131_Prinz 36W-1936.RadioRadiojpgthumb
Horny E1331938FileHorny_Hornyphon-E133_Prinz 38W-1938.RadioRadiojpgthumb
Horny E142-FileHorny_Hornyphon-E142_37W E142_Olympic.1.RadioRadiojpgthumb
Horny E1421936FileHorny_Hornyphon-E142_Lord Super W-1936.RadioRadiojpgthumb
Horny E1431938FileHorny_Hornyphon-E143_Lord 38-1938.RadioRadiojpgthumb
Horny E1511935FileHorny_Hornyphon-E151_King W2 7_King WII 7-1935.Radio
.Radio
Radiojpgthumb
Horny E1521936FileHorny_Hornyphon-E152_Excelsior W-1936.RadioRadiojpgthumb
Horny E1631938FileHorny_Hornyphon-E163_Super 9 38_Olympic 38W-1938
.Radio
Radiojpgthumb
Horny E1731938FileHorny_Hornyphon-E173_Olympic 38-1938.RadioRadiojpgthumb
Horny E3311936FileHorny_Hornyphon-E331_Prinz 36G-1936.RadioRadiojpgthumb
Horny E4321936FileHorny_Hornyphon-E432_Ultra Prinz GW-1936.RadioRadiojpgthumb
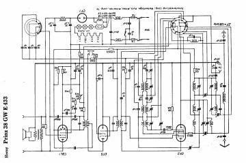
Horny E4331938FileHorny_Hornyphon-E433_Prinz 38GW-1938.RadioRadiojpgthumb
Horny E442 11937FileHorny_Hornyphon-E442 1_Olympic 37GW-1937.RadioRadiojpgthumb
Horny E4421936FileHorny_Hornyphon-E442_Lord Super GW-1936.RadioRadiojpgthumb
Horny E4431938FileHorny_Hornyphon-E443_Lord 38GW-1938.RadioRadiojpgthumb
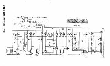
Horny E4521936FileHorny_Hornyphon-E452_Excelsior GW-1936.RadioRadiojpgthumb
Horny E6321937FileHorny_Hornyphon-E632_Prinz 37 B-1937.RadioRadiojpgthumb
Horny E6381938FileHorny_Hornyphon-E638_Prinz 38B-1938.RadioRadiojpgthumb
Horny E642 21937FileHorny_Hornyphon-E642 2_Lord 37B-1937.RadioRadiojpgthumb
Horny E6431938FileHorny_Hornyphon-E643_Lord 38B-1938.RadioRadiojpgthumb
Horny Excelsior GW1936FileHorny_Hornyphon-E452_Excelsior GW-1936.RadioRadiojpgthumb
Horny Excelsior W1936FileHorny_Hornyphon-E152_Excelsior W-1936.RadioRadiojpgthumb
Horny FL4161A1943FileHorny_Hornyphon-FL4161A-1943.Radio.2Radiopdfthumb
Horny FL4161A1943FileHorny_Hornyphon-FL4161A-1943.Radio.RadioRadiojpgthumb
Horny FS642A1943FileHorny_Hornyphon-FS642A-1943.RadioRadiojpgthumb
Horny GW6681934FileHorny_Hornyphon-GW668_Mascot-1934.RadioRadiojpgthumb
Horny Isabelle1961FilePhilips-L3A92_Party 60(Horny_HornyPhon-WL399_Isabelle)(Eumig
-L3A92T)-1961.Radio
Radiopdfthumb
Horny K36L1940FileHorny_Hornyphon-K36L-1940.RadioRadiojpgthumb
Horny K46B1940FileHorny_Hornyphon-K46B-1940.RadioRadiojpgthumb
Horny King GW V 51935FileHorny_Hornyphon-King GW V 5-1935.Radio.RadioRadiojpgthumb
Horny King W2 71935FileHorny_Hornyphon-E151_King W2 7_King WII 7-1935.Radio
.Radio
Radiojpgthumb
Horny King WII 71935FileHorny_Hornyphon-E151_King W2 7_King WII 7-1935.Radio
.Radio
Radiojpgthumb
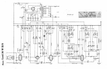
Horny Lord 36GW1936FileHorny_Hornyphon-Lord 36GW-1936.RadioRadiojpgthumb
Horny Lord 36W21936FileHorny_Hornyphon-Lord 36W2-1936.RadioRadiojpgthumb
Horny Lord 37B1937FileHorny_Hornyphon-E642 2_Lord 37B-1937.RadioRadiojpgthumb
Horny Lord 381938FileHorny_Hornyphon-E143_Lord 38-1938.RadioRadiojpgthumb
Horny Lord 38B1938FileHorny_Hornyphon-E643_Lord 38B-1938.RadioRadiojpgthumb
Horny Lord 38GW1938FileHorny_Hornyphon-E443_Lord 38GW-1938.RadioRadiojpgthumb
Horny Lord 39B1939FileHorny_Hornyphon-W144B_Lord 39B-1939.RadioRadiojpgthumb
Horny Lord 39GW1939FileHorny_Hornyphon-W344U_Lord 39GW-1939.PSU.RadioRadiojpgthumb
Horny Lord 39W1939FileHorny_Hornyphon-W344A_Lord 39W-1939.RadioRadiojpgthumb
Horny Lord Super GW1936FileHorny_Hornyphon-E442_Lord Super GW-1936.RadioRadiojpgthumb
Horny Lord Super W1936FileHorny_Hornyphon-E142_Lord Super W-1936.RadioRadiojpgthumb
Horny Maestro BV 11935FileHorny_Hornyphon-Maestro BV 1_BV 1-1935.RadioRadiojpgthumb
Horny Maestro GW V 41935FileHorny_Hornyphon-Maestro GW V 4-1935.RadioRadiojpgthumb
Horny Maestro W2 91935FileHorny_Hornyphon-Maestro W2 9_Maestro WII 9-1935
.Radio
Radiojpgthumb
Horny Maestro WII 91935FileHorny_Hornyphon-Maestro W2 9_Maestro WII 9-1935
.Radio
Radiojpgthumb
Horny Marquis B VI 21935FileHorny_Hornyphon-Marquis B VI 2-1935.RadioRadiojpgthumb
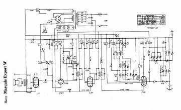
Horny Marquis Export W1935FileHorny_Hornyphon-Marquis Export W-1935.RadioRadiojpgthumb
Horny Marquis GW V 31935FileHorny_Hornyphon-Marquis GW V 3-1935.RadioRadiojpgthumb
Horny Marquis W2 61936FileHorny_Hornyphon-Marquis WII 6_Marquis W2 6_WII 2
_W2 2-1936.Radio
Radiojpgthumb
Horny Marquis WII 61936FileHorny_Hornyphon-Marquis WII 6_Marquis W2 6_WII 2
_W2 2-1936.Radio
Radiojpgthumb
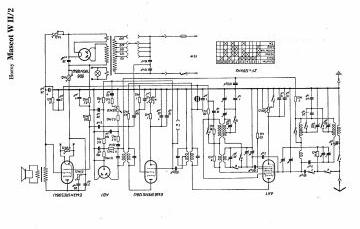
Horny Mascot W2 21934FileHorny_Hornyphon-Mascot WI 2_WII 2_Mascot W2 2_W2
2-1934.Radio
Radiojpgthumb
Horny Mascot WI 21934FileHorny_Hornyphon-Mascot WI 2_WII 2_Mascot W2 2_W2
2-1934.Radio
Radiojpgthumb
Horny Mascot1934FileHorny_Hornyphon-GW668_Mascot-1934.RadioRadiojpgthumb
Horny Olympic 35W1935FileHorny_Hornyphon-Olympic 35W_35W-1935.RadioRadiojpgthumb
Horny Olympic 37GW1937FileHorny_Hornyphon-E442 1_Olympic 37GW-1937.RadioRadiojpgthumb
Horny Olympic 381938FileHorny_Hornyphon-E173_Olympic 38-1938.RadioRadiojpgthumb
Horny Olympic 38W1938FileHorny_Hornyphon-E163_Super 9 38_Olympic 38W-1938
.Radio
Radiojpgthumb
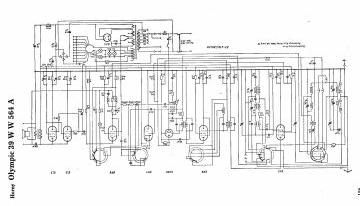
Horny Olympic 39W1939FileHorny_Hornyphon-W564A_Olympic 39W-1939.RadioRadiojpgthumb
Horny Olympic-FileHorny_Hornyphon-E142_37W E142_Olympic.1.RadioRadiojpgthumb
Horny Potentat 40W1940FileHorny_Hornyphon-W455X_Potentat 40W-1940.RadioRadiojpgthumb
Horny Prinz 35G IV 11935FileHorny_Hornyphon-Prinz 35G IV 1_35G IV 1-1935.RadioRadiojpgthumb
Horny Prinz 35WII 11935FileHorny_Hornyphon-Prinz 35WII 1_35W II 1-1935.RadioRadiojpgthumb
Horny Prinz 36G1936FileHorny_Hornyphon-E331_Prinz 36G-1936.RadioRadiojpgthumb
Horny Prinz 36W1936FileHorny_Hornyphon-E131_Prinz 36W-1936.RadioRadiojpgthumb
Horny Prinz 37 B1937FileHorny_Hornyphon-E632_Prinz 37 B-1937.RadioRadiojpgthumb
Horny Prinz 38B1938FileHorny_Hornyphon-E638_Prinz 38B-1938.RadioRadiojpgthumb
Horny Prinz 38GW1938FileHorny_Hornyphon-E433_Prinz 38GW-1938.RadioRadiojpgthumb
Horny Prinz 38W1938FileHorny_Hornyphon-E133_Prinz 38W-1938.RadioRadiojpgthumb
Horny Prinz 39B1939FileHorny_Hornyphon-W134B_Prinz 39B-1939.RadioRadiojpgthumb
Horny Prinz 39GW1939FileHorny_Hornyphon-W134U_Prinz 39GW-1939.RadioRadiojpgthumb
Horny Prinz 39KV1939FileHorny_Hornyphon-Prinz 39KV_39KV_Prinz Kraftverstarker
-1939.Radio
Radiojpgthumb
Horny Prinz 39W1939FileHorny_Hornyphon-W134A_Prinz 39W-1939.RadioRadiojpgthumb
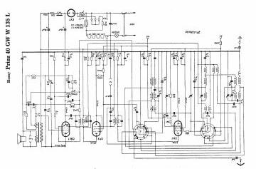
Horny Prinz 401940FileHorny_Hornyphon-W135A II_W135A 2_Prinz 40-1940.RadioRadiojpgthumb
Horny Prinz 40B1940FileHorny_Hornyphon-W135B_Prinz 40B-1940.RadioRadiojpgthumb
Horny Prinz 40GW1940FileHorny_Hornyphon-W135L_Prinz 40GW-1940.RadioRadiojpgthumb
Horny Prinz 40W1940FileHorny_Hornyphon-W135A_Prinz 40W-1940.RadioRadiojpgthumb
Horny Prinz 41W1941FileHorny_Hornyphon-W236A_Prinz 41W-1941.RadioRadiojpgthumb
Horny Prinz Kraftverstarker1939FileHorny_Hornyphon-Prinz 39KV_39KV_Prinz Kraftverstarker
-1939.Radio
Radiojpgthumb
Horny Rex 35B V 11935FileHorny_Hornyphon-Rex 35B V 1_35B V 1-1935.RadioRadiojpgthumb
Horny REX 35GW V 11935FileHorny_Hornyphon-REX 35GW V 1_35GW V 1-1935.RadioRadiojpgthumb
Horny Rex 35W II 31935FileHorny_Hornyphon-Rex 35W II 3_35W II 3-1935.RadioRadiojpgthumb
Horny Rex 39GW1939FileHorny_Hornyphon-W544U_Rex 39GW-1939.RadioRadiojpgthumb
Horny Rex 39W1939FileHorny_Hornyphon-W544A_Rex 39W-1939.RadioRadiojpgthumb
Horny Rex 40B1940FileHorny_Hornyphon-W345B_Rex 40B-1940.RadioRadiojpgthumb
Horny Rex 40GW1940FileHorny_Hornyphon-W345L_Rex 40GW-1940.RadioRadiojpgthumb
Horny Rex 40W1940FileHorny_Hornyphon-W345A_Rex 40W-1940.RadioRadiojpgthumb
Horny Rio W E1221936FileHorny_Hornyphon-E122_Rio W_Rio W E122-1936.RadioRadiojpgthumb
Horny Rio W1936FileHorny_Hornyphon-E122_Rio W_Rio W E122-1936.RadioRadiojpgthumb
Horny Sondertyp 40W1940FileHorny_Hornyphon-W464A_Sondertyp 40W-1940.RadioRadiojpgthumb
Horny Souveran 40W1940FileHorny_Hornyphon-565X_Souveran 40W-1940.RadioRadiojpgthumb
Horny Super 9 381938FileHorny_Hornyphon-E163_Super 9 38_Olympic 38W-1938
.Radio
Radiojpgthumb
Horny Trix Oktode W-FileHorny_Hornyphon-Trix Oktode W.RadioRadiojpgthumb
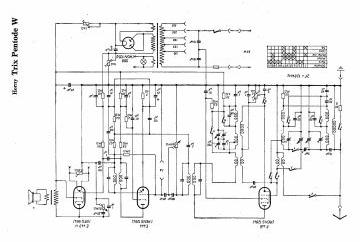
Horny Trix Pentode W-FileHorny_Hornyphon-Trix Pentode W.RadioRadiojpgthumb
Horny Ultra Prinz GW1936FileHorny_Hornyphon-E432_Ultra Prinz GW-1936.RadioRadiojpgthumb
Horny Ultra Prinz-FileHorny_Hornyphon-WE132_Ultra Prinz.RadioRadiojpgthumb
Horny Virtuoso1948FileHorny_Hornyphon-W348U_Virtuoso-1948.RadioRadiojpgthumb
Horny W134A1939FileHorny_Hornyphon-W134A_Prinz 39W-1939.RadioRadiojpgthumb
Horny W134B1939FileHorny_Hornyphon-W134B_Prinz 39B-1939.RadioRadiojpgthumb
Horny W134U1939FileHorny_Hornyphon-W134U_Prinz 39GW-1939.RadioRadiojpgthumb
Horny W135A 21940FileHorny_Hornyphon-W135A II_W135A 2_Prinz 40-1940.RadioRadiojpgthumb
Horny W135A II1940FileHorny_Hornyphon-W135A II_W135A 2_Prinz 40-1940.RadioRadiojpgthumb
Horny W135A1940FileHorny_Hornyphon-W135A_Prinz 40W-1940.RadioRadiojpgthumb
Horny W135B1940FileHorny_Hornyphon-W135B_Prinz 40B-1940.RadioRadiojpgthumb
Horny W135L1940FileHorny_Hornyphon-W135L_Prinz 40GW-1940.RadioRadiojpgthumb
Horny W136A1940FileHorny_Hornyphon-W136A-1940.RadioRadiojpgthumb
Horny W136L1940FileHorny_Hornyphon-W136L-1940.RadioRadiojpgthumb
Horny W137L-FileHorny_Hornyphon-W37L_W137L.Radio.RadioRadiojpgthumb
Horny W144B1939FileHorny_Hornyphon-W144B_Lord 39B-1939.RadioRadiojpgthumb
Horny W146B1940FileHorny_Hornyphon-W146B-1940.RadioRadiojpgthumb
Horny W2 21934FileHorny_Hornyphon-Mascot WI 2_WII 2_Mascot W2 2_W2
2-1934.Radio
Radiojpgthumb
Horny W2 21936FileHorny_Hornyphon-Marquis WII 6_Marquis W2 6_WII 2
_W2 2-1936.Radio
Radiojpgthumb
Horny W236A1941FileHorny_Hornyphon-W236A_Prinz 41W-1941.RadioRadiojpgthumb
Horny W237A1941FileHorny_Hornyphon-W237A-1941.RadioRadiojpgthumb
Horny W237L1941FileHorny_Hornyphon-W237L-1941.RadioRadiojpgthumb
Horny W257B1941FileHorny_Hornyphon-W257B-1941.RadioRadiojpgthumb
Horny W336A1940FileHorny_Hornyphon-W336A-1940.RadioRadiojpgthumb
Horny W344A1939FileHorny_Hornyphon-W344A_Lord 39W-1939.RadioRadiojpgthumb
Horny W344U1939FileHorny_Hornyphon-W344U_Lord 39GW-1939.PSU.RadioRadiojpgthumb
Horny W345A1940FileHorny_Hornyphon-W345A_Rex 40W-1940.RadioRadiojpgthumb
Horny W345B1940FileHorny_Hornyphon-W345B_Rex 40B-1940.RadioRadiojpgthumb
Horny W345L1940FileHorny_Hornyphon-W345L_Rex 40GW-1940.RadioRadiojpgthumb
Horny W348U1948FileHorny_Hornyphon-W348U_Virtuoso-1948.RadioRadiojpgthumb
Horny W359U1957FileHorny_Hornyphon-W359U_Carmen-1957.RadioRadiojpgthumb
Horny W369A1959Filephilips-Revue 60_B3A93A(Horny_Hornyphon-Attache
_W369A)-1959.Radio
Radiopdfthumb
Horny W37L-FileHorny_Hornyphon-W37L_W137L.Radio.RadioRadiojpgthumb
Horny W455X1940FileHorny_Hornyphon-W455X_Potentat 40W-1940.RadioRadiojpgthumb
Horny W464A1940FileHorny_Hornyphon-W464A_Sondertyp 40W-1940.RadioRadiojpgthumb
Horny W544A1939FileHorny_Hornyphon-W544A_Rex 39W-1939.RadioRadiojpgthumb
Horny W544U1939FileHorny_Hornyphon-W544U_Rex 39GW-1939.RadioRadiojpgthumb
Horny W564A1939FileHorny_Hornyphon-W564A_Olympic 39W-1939.RadioRadiojpgthumb
Horny WE132-FileHorny_Hornyphon-WE132_Ultra Prinz.RadioRadiojpgthumb
Horny WII 21934FileHorny_Hornyphon-Mascot WI 2_WII 2_Mascot W2 2_W2
2-1934.Radio
Radiojpgthumb
Horny WII 21936FileHorny_Hornyphon-Marquis WII 6_Marquis W2 6_WII 2
_W2 2-1936.Radio
Radiojpgthumb
Horny WL3991961FilePhilips-L3A92_Party 60(Horny_HornyPhon-WL399_Isabelle)(Eumig
-L3A92T)-1961.Radio
Radiopdfthumb
Horny ZwergSuper1941FileHorny_Hornyphon-637L_ZwergSuper-1941.RadioRadiojpgthumb
Horny ZwerSuper1941FileHorny_Hornyphon-637LK_ZwerSuper-1941.RadioRadiojpgthumb
PayPal Logo
These radio, TV, record player, amplifier, amp and tape or cassette recorder schematics, circuit diagrams and service manuals are mostly high quality, very readable scans and will usually be Emailed within an hour or two, if I need to scan an item, or it's the middle of the night, it may take a little longer! Here in the UK it is 06:12. If more than one schematic is listed for a model I will generally send them all, unless too big to attach! Specialising in British schematics Roberts, Hacker, Bush, Pye etc. also American and German manuals feature strongly, search for what you need. Multi page manuals are Emailed as pdfs. Please Email or phone 0788 4425213 Thanks for looking, Mike.

Search for your Schematic



Fill in the "Make" and "Model" boxes, if you are unsure of the model, leave it blank and I will list ALL models for that manufacturer, similarly if you only have the model number leave "Make" blank and I will list similar model names from ALL manufacturers. How to repair your radio. More explanation here. Some sources searched :-
Book SetKEYYears
J.F. Riders Perpetual Rider 1920-54
Trader Service sheets Trader 1933-81
Beitmans Radio Diags Beitman 1926-69
Beitmans TV Diagrams BeitmanTV 1947-70
Gernsback Radio Diags. Gernsback 1922-34
Empfanger Schaltungen ES 1928-57
RCA Service Notes RCASN 1923-52
Broadcaster Supplements Broadcaster 1934-42
Radio and TV 36 vol set RTV 1945-86
Radio and TV 5 vol set RTV5 1945-54
Crosley Service Suppls. Crosley 1929-42
My Pre-scanned Files File =>2022
The search logic is slightly "fuzzy" in that it's case insensitive and ignores punctuation so, model TR-510 is the same as tr510, and G.E.C is the same as "gec".

(247201 schematics* by 1828 different manufacturers indexed!)
Updated 18th. Dec 2023


Search Time = 159 results in 18.2 mS. Log
ABCAC DaytonAccurateAce
ACECAceToneAcheAcme
AcornAcousticAcousticalAcra Test
Acra ToneAdaAdaptolAddison
Admiral ;AustraliaAdretAdvance ElectricAdvance
AdventAEAAEGAEI
AELAeonicAeradioAerialite
AeriolaAero MetalAero MotiveAero Products
AerodyneAetnaAFBAffiliated
AGEAgilentAH GrebeAhemo
AimsAir CastleAir ChiefAir King
Air KnightAir MinistryAir RadioAirline
AirmecAiroAirtoneAirzone
AiwaAjaxAJSAkai
AKGAkkordAkradAlamo
AlanAlbaAlchemistAlden
AlesisAlfaAlgeneAllander
AllesandroAllied Engineering InstituteAlliedAllocchio Bacchini
AlphaAlpinistAltarAltec Lansing
AltoAmalgamatedAmatoAmbassador
AmberAMCAmcronAmerican Bosch
American DataAmerican Foundation For the BlindAmerican MeriLeiAmerican Motors
American TransformerAmerican TVAmericanAmeritron
AmpegAmpexAmphenolAmplion
AmproAmradAmstradANC
AndreaAngstremANKAnsley
Antique SoundAntoneAnubicsAola Schlaak
ApexApogeeApparatusAppel Henderson
AppletonAppliedApprovedArborphone
ArcadiaArcamArcherArdent
ArelArenArenaArgos
ArgosyArgusAriaAriane
ArielArionAristocratAristona
AristophoneArkayArmstrongARP
ARTArthur AnsleyArtoneArvin
ArzamasAshtonAskarAstars
AsterAstorAstradAstron
AtariAtchisonAthenaAtlantic
AtlasAtwater KentAudarAudinac
Audio DesignAudio NoteAudio ResearchAudiola
AudiolabAudiolineAuriconAustin
AustrovoxAutocratAutomaticAutomovil
AutophonAutoradioAutoSuperAutovox
AvcoAvery FisherAviolaAVO
AWAAward SessionAwardAxess
AzdamAztecBad StoneBadcat
BairdBalcombeBaldwinBalkeit
BalkiteBallantineBandBoxBandmaster
Bang and OlufsenBannerBarcusBarker
BarRadioBARTGBASFBassMan
BauerBBCBBEBeaning
BeckerBeedeBeethovenBehringer
BeitmanBekoBelcoBelcom
Bell and HowellBellBelleBelmont
BelsonBeltekBendixBengal
BenksonBensonBeogramBeolit
BerdskBERECBerlinBernard
BernburgBerning SeigfriedBertonciniBespeco
BettersetBF GoodrichBGWBiennophone
BiggBinatoneBinsonBK
Black HeartBlackhawkBlackstarBlaupunkt
Blocs AccordBlohmBlonderBlue Spot
BobinasBogenBognerBolt
BondBoogieBoschBose
BossBrandesBrandtBraun
BrayheadBRCBremerBremi
BrentwoodBretingBrewsterBriconic
BrimarBrionvegaBritamerBroadcaster
BronswickBrookBrown BoverieBrown
BrownieBrowningBRTBRTR
BrunoBrunswickBrushBSR
BTEBTHBTSBuchla
BuckinghamBudBugeraBuick
BulovaBurbdeptBurgessBurgoyne
BurmanBurndeptBurnsBurrell
BushBushLaneBushManualButler
BYEBylockCable NelsonCAC
CadillacCalradCalselCalvert
CameoCampanelaCamtecCanadian Radio
Canadian WestinghouseCapehartCapitolCaravan
CarischCarlinCarlsbroCarousel
CarronCarterCarverCarvin
CaseCastillaCavelcadeCBS
CelestionCentral EquipmentCenturyCER
CGEChakophoneChampChampion
ChancellorChannel MasterChannelCheliabinsk
ChevroletChieftanChryslerCihan
CiscoCities Service OilCitronicCivilian
ClagoClarionClasse ;AudioClearsonic
CleartoneClimaxClintonClipper
ClydonCMCCoast to Coast Codar
Col R TelCollaroCollinsCollorado
ColonialColor soundColortelColumbia
ComixCommonwealthConcordConrad Johnson
ConsolidatedConsomelloContessaContinental
ConvairCoOpCoronaCoronado
CoronetCorvairCorvetteCosmos
CossorCouchCourierCraftsmen
CrateCRCCrescentCrest Audio
CromwellCrosleyCrownCrumar
CrystalCTRCurrysCyldon
CyrusCzeijaDAFDan Armstrong
DanelectroDanoDansetteDansk
DARBDartingtonDataDaven
David BogenDavid GrimesDaxonDay Fan
DayRadDaystromDaytonDB
DBXDe ForestDean MarkleyDecanno
DeccaDeccasoundDefiantDelco
DelmonicoDeltaDeltalabDenco
DenonDesotoDetrolaDeVar
DeWaldDickersonDictographDiezel
DigitechDioraDKEDnepropetrovsk
DodDodgeDominionDon Lee
DorchesterDoricDouglasDrake
DrummerDTWDual EngineeringDual
DucatiDucretetDukaneDulci
DuMontDumortierDunlopDwektronix
DynacoDynacordDynakitDynaport
DynatronEagleEAPEAR
EarlEarthEasternEAW
ECAEchophoneEchoplexEchoTape
EckenrothEckoEcksteinEddystone
EdenEdison BellEdisonEdiswan
EDPEdwardsEffedibiEgnater
EH ResearchEH ScottEHRAEico
EkcoEkosonicEkotapeEL Rey
ElbegElbiaElcophonElectone
ElectradElectric AutoliteElectric AutomotiveElectric Specialties
Electrical ResearchElectro AcousticElectro BetrriebElectro Harmonix
Electro MaticElectro TechnicalElectroHomeElectromuse
Electronic CorpElectronic Dream PlantElectronic LabsElectronic Music Labs
ElectrophoneElectroplexElectroVoiceEletrofone
ElgarElizabethanElkElka
ElmugElpicoEltraElxon
EMCEmerson ;ArgentinaEMIEmisonic
EMLEMMEmorEmpire Designing
Empire ElectricalEMSEmtronEMU
EmudEMWEnekaEngl
English ElectricEnvoyEpiphoneERLA
ErmsaERTErwaES
EspeyEsquireEsteyEstyma
EtraEtronicEumigEurophon
EurophoneEvansEverreadyExcelsior
ExelradFacitFactotumFADA
FairbanksFairchildFairlightFalcon
FalksFansteelFapesaFarfisa
FarnellFarnsworthFarrandFasma
Federal ManufacturingFederal RadioFederalFederated
FelgateFenderFergusonFerrando
Ferranti ;SimilarFerrarFerrisFerrograph
FiatFidelityFinluxFiolent
FirestoneFirst National RadioFisherFisk
FittonFJ FitzgeraldFleetwoodFlorac
FlukeFlush WallFM SpecialitiesFNR
FonotalkFord PhilcoFordFordson
FourierFoxxFramusFranklin
FreedFrench JesseFreshmanFret and Foot
Frost MintonFultonFunkstrahlFurguson
FurgusonicFurmanFuttermanFuturama
GalaxyGallien KruegerGalvinGamble Skogmo
GarnetGarodGarrardGates
GBCGCHQGE ;ArgentinaGEC
GecophoneGelosoGemGemeinschafts
GenalexGeneral DynamicsGeneral FireGeneral Household
General ImplementGeneral IndustriesGeneral InstrumentGeneral Radio
General TVGenericGenRadGeodyn
GernsbackGerufonGetaGiannina
GibsonGigracGilbertGilfillan
GladstoneGlobeGMGoblin
Goerz MetrawattGolden TubeGoldentoneGoldpfiel
GoldringGoldstarGonsetGoodmans
GoodYearGordon ElfGothamGould
GraetzGraham PaigeGraham PhilcoGrainger
GramaphoneGramdeckGrammontGrampian
GranadaGrancoGrandinGrant
GrantlineGrasmanGrasmannGraves
Gray DanielsonGrayGraybarGrebe
GregoryGretschGrigsbyGrommes
GrooveTubeGrossGroznyGrundig
GTGuildGuitar ResearchGulbransen
H ClarkeHACHackerHaco
HagenukHagstromHalcyonHale
HallicraftersHalsonHamegHamilton
HammarlundHammondHanimexHansen
Harman KardonHarmonyHarold SheversHarris
HartkeHarty YoungHarvardHarvey Wells
HastingsHatryHEAHealing
Hear All ContinentsHeathHeathkitHeli
HenryHenrys RadioHerbert HornHermes
HetroHF LabsHH ;ElectronicsHH Scott
Hi LoHickokHitachiHiwatt
HKHMGCCHMV ;AustraliaHMV New Zealand
HoffmanHohnerHondaHoodwin
HornyHornyphonHotpointHoward
HPHudson MotorsHudson RossHudson
Hughes KettnerHupmobileHuthIbanez
IberiaICAIcomIdeal
ImefonImpactImperialIncarRadio
IndesitIndustria RadiotecnicaIndustrial ElectronicIndustrial Instruments
InelroIngelenInsulineIntensofunk
InterceptorInterMIntermarkInternational Detrola
International industriesInternationalInterOceanInterstate
InvictaInvictusIrradioIskra
ITTJ G GravesJacksonJadis
JahnkeJamesJasonJBL
JDJefferson TravisJenJenkins
JenningsJerroldJerry DonahueJesse
Jet CityJewelJimi HendrixJMF
John MeckJohn RadioJohnsonJolida
JordanJothaJP SeeburgJuergen Simon
JugoJungmannJupiterJVC
JW DavisKaar EngineeringKadetteKaiser
KalamazooKamenskKampoKappler
KapschKaradioKawaiKay
KBKeighleyKeller FullerKellog
Ken BrownKennedyKenproKent
KenwoodKernwoodKetayKiev
KingKingsKingstonKishtim
KittyhawkKlangfilmKlemtKLH
KlingerKnightKnightKitKO
KochKodelKolledaKonka
KorgKortingKosmovoxKoyo
KrakauerKramolinKrefftKriesler
KrishkeKrohlerKudelskiKurzweil
KustomKW communicationsKylectronL and L
L TatroLabogaLafayetteLamagna
LamcoLandryLaneyLang
LangeLangevinLarinkoLaselle
LaurehkLeaderLeakLeander
LearLectrolabLeipzigLembeck
LeningradLesamLesleyLeslie
LeutzLevellLewolLewt
LexiconLifcoLincolnLine 6
LinearLissenLoeweLoftin
LoganLohjaLondon CityLondon Electric
LongLordLorenzLotus
Loud ;TechnologiesLowreyLTPLumophon
LuxorLyricLytle and CanonMac
MackayMackieMacoMacy
Madison MooreMadrigalMaestoMaestro
MagatoneMagic ToneMagnadyneMagnatone
MagnavoxMaguireMaihakMains Radio Gramaphones
MaintainenceMajesticMajorMallory
MantelMantolaMarantzMarc
Marconi ;CanadaMarconiphoneMarcucciMarelli
MargolinMark SimpsonMarkMarkBass
MarlboroMarmaxMarshallMarti
MartinMasbelMascoMashpriborintorg
Master CareMaster RadioMasteradioMasterpiece
MatchlessMatsushitaMaxonMazda
MBLEMcCarthyMcIntoshMcMichael
McMillanMcMurdoMeazziMebgeratebau
MeckMectronMediatorMegard
MeggerMeissnerMelburnMelorad
MelosMendeMercantileMercury
MesaMeteorMetrodyneMetropolitan Vickers
MetzMEWMFAMicro Electronic
Micro RadioMicrontaMidlandMidwest
MilitaryMillsMilwaukeeMinerva
MinskMiracoMirageMission Bell
MissionMitchellMitsubishiMivar
MohawkMoldedMonarchMonelectric
MonitorMonogramMonsantoMontgomery Ward
MoogMoparMorleyMorphy Richards
Moscow Deaf AidMoscowMoskovskyMosrite
MotekMoto MeterMotoMotorola
MotoviaMotovoxMoulinexMRTZ
Mullard ;AustraliaMultitoneMultivoxMunston
MuntzMurphy ;New ZealandMusaphonicMusette
Music ManMusicaidMusicaireMusical Fidelity
MusiqueMuzakMXRNAD
NaiwaNakamichiNanaolaNash
NassauNathanialNational AcousticalNational Carbon
National CooperativeNational DobroNational PanasonicNational Radio Company
National Radio InstituteNational Radio ProductsNational Tape RecorderNational Transformer
National UnionNationalNatoNavico
NavigatorNavshipsNECNetwork
NeumannNewcombeNewmaticNH Radio
NiemannNintendoNisslNivico
NizhegorodskyNobelsNoblex BernaNoblex Carina
Noblex FabulinoNoblexNoblitt SparksNora
NorcoNord MendeNorden HauckNorelco
NorlinNormaNorthcourtNorthEastern Engineering
Northern ElectricNorthern RadioNorthlandNova
NovakNovatorNRINSF
NSMOahuOakOberheim
OceanicOctaveOKOkean
OldsmobileOldsmodbileOlympicOmega
OnkyoOpelOperadioOpta
OrangeOrionORROrsha
OrthonOsakaOsramOwin
OzarkaPacentPacific RadioPacific Research
PacificPackard BellPackard Motor CarPackard Philco
PackardPageantPaillardPalace
PalecPalomarPAMPamphonic
PanasonicPanatropePanoramicParamount Radio
ParkParker MccroryParmakParos
ParsekPathePatonPatterson
Pearce SimpsonPearcePearlPeavey
PedersenPeerlessPellegrinettiPennine
PentronPerdioPerfectonePeter Pan
Peto ScottPfanstiehlPhiccoPhico
PhilbrickPhilco ;ItalyPhilettaPhilharmonic
Philips ;AmericaPhillips PetroleumPhilmorePhonic
PhonolaPierce AiroPierce ArrowPierce
Pierson DelanePiersonPifcoPig Nose
PilgrimPilotPioneerPizon
PlaycraftPlaymatePlaze MusicPlessey
PlustronPlustronicsPlymouth PhilcoPlymouth
PoliotPolytonePolyvoxPontiac
Popular MechanicsPort0MaticPortadynePorto Baradio
Porto ProductsPorto RadioPorto ServerPortodyne
PortogramPowersoftPrecedentPrecision Radio
PrecisionPremierPriessProctor Silex
PromenettePulse TechniquesPure OilPuritan
PurotonePurple CowPuxingPye ;Australia
PyewayQSCQTXQuad
QualitonQuanTechQuartz LockRacal
RadfordRadialvaRadiartRadiette
Radio Acoustic ProductsRadio and TelevisionRadio ChassisRadio Circular
Radio Development ResearchRadio DisplaysRadio ElectricRadio Engineering
Radio GramRadio KitsRadio MarineRadio Product
Radio ProductsRadio RecepterRadio ReceptorRadio Rentals
Radio ServiceRadio ShackRadio TechnicRadio Trading
Radio UnionRadio VisionRadio WireRadiobar
RadioCorpRadioetteRadioExchangeRadiofon
RadiolaRadiolaGramRadioletteRadiomarelli
RadiometerRadioMobileRadioneRadionette
RadionicRadiopriborRadiotehnikaRadiotron
RadiotropeRadolekRAFRainbow
RandallRankRanserRAP
RASRatRaulandRay
RaymondRaytheonRBMRCA
RCASNRCFRCRRCS
RE LacaultReadRiteRealisticRecording Devices
RedBearRediffusionRedifonRees Mace
RegalRegencyRegentRegentone
ReicoRemaRemlerRenard
RenaultRent a SetREORepanco
RepublicRERRetraRevelation
RevereRevoxRexelRFT
RFWRGDRGHRheem
RhodesRIRick CampbellRickenbacker
RickToneRiderRigasRigonda
RiveraRiwecoRK RadioRM Electric
RMERMSERobert LawrenceRoberts ;USA
RobertsonRobuckRobukRocke International
RockfordRockolaRodgersRogers Majestic
RogersRohde SchwarzRolaRoland
RolaxRollandRomacRoss
RRRRRRSCRSS
RTRTV Cross ReferenceRussellRuwel
SABASachsenwerkSAESalara
SaloraSam AshSampsonSams
SamsonSamsungSangamoSangean
SangoSanoSanshinSansui
SanyoSaradulSargent EMSargent Rayment
SavageSavil RadioSBESBR
ScandynaSchalecoSchallerSchaub
SchlaakSchlumbergerScott TransformerScott
SDCSea pal RadioSearle AeroSears Roebuck
SeatSecoSeiberlingSeibt
SeimensSelenaSelmerSemcor
SencoreSentinelSequentialService
Session MasterSetchell CarlsonSeymour DuncanShamrock Radio
SharpSheafferShelleySheridan
SherwoodSicartSiemensSiera
Signal Battery CompanySignal ElectronicsSilcoSilver King
Silver MarshallSilverSilvertoneSimmons
Simms WattsSimplexSimplonSimpson
SinclairSingerSingleSintar
SkanticSkodaSky RoverSlagle
SleeperSMSmithsSNR
SobellSobolSocoraSOE
SokolSolarSolartronSolaSound
SoldanoSolectricSoltonSommerkamp
SonaSonarSonatelSonocraft
SonolorSonoraSony ;AustraliaSound City
Sound MirrorSound View MarineSoundSoundcraft
SoundesignSovtekSparks WithingtonSparton
SpatzSpencer WestSpencerSpezial
SpicaSpidolaSpiegelSpika
SplawnSplitdorfSpragueSRA
SRTStairs WintersStancorStandard Radio Telefon
StandardStandelStanleyStar Raider
StarStarckStargStark
StartfordStartonStassfurtStaudigl
STC ;AustraliaSteelmanSteiniteStella ;New Zealand
StenodeStereo FullStereoStereoSound
SterlingSternStewart RadioStewart Turner
Stewart WarnerStingerStory ClarkStrad
StratfieldStraussStrawberry BlondeStrobotuner
Stromberg CarlsonStudebakerStudiomasterStuzzi
SudfunkSunbeamSundownSunn
SuperiorSuperstarSupertoneSuprem
SupremeSuproSvenska Radio AktiebolagetSvetlovodsk
SwanSwirluxSWRSylvania
SymphonyTaffetTakTalk-a-Phone
TandbergTandyTannoyTapco
TascamTasmaTatungTaylor
TCATCETEACTech
TechnicsTeclemitTectronixTefag
TefiTeiscoTekadeTekelec
TektronixTele KingTele ToneTelechron
TelecoinTeledyneTelefunkenTelephone
TelequipmentTeletonTeletronTelevian
TelevisionTraining InstituteTelsenTempleTempleTone
TempovoxTentoTertaTesla
TexanTHDThermThomson
ThomsonHoustonThordarsonThornThroens
TITiffany ToneTimeElectronicsTitan
TMCTMKToddTokyo HY Labs
TomThumbTonomacTopecoTophat
TornTornisterTorotorTorres
ToshibaToshibaManualTrace ElliotTrader
TradioTrainwreckTrans ArenaTransatlantic
Transformer CorpsTransitoneTransmission ProductsTransvision
TravellerTravlerTraynorTriangle
TricityTrimaxTrioTriplet
TrixTRKTropic AireTroubador
TroyTrue ValueTruetoneTruphonic
TruvoiceTruVoxTUACTurner
Tyrman ElectricUcoaUherUKW
UltraUltradyneUltramarUnda
UnicUnicordUnidenUnited Air Cleaners
United Motor ServiceUnited MotorsUnited RecordingUnited Reproducers
United ReproductionUnitedUnitraUniversal Battery
UniversalUniversumUnivoxUnKnown
US ElectricUS RadioUS TelevisionUSAF
UtahUTCV LectricalValco
ValiantValradioVan Der MolenVandyke
VarleyVEBVEFVega
VelodyneVickersVictorVictoreen
Video CorporationVideodyneVidorView
ViewtoneVikingVision Research LabsVM
VocolineVoice of MusicVolksVolkswagen
VolmarVoronezhVoxVoxson
VSEVWWacoWaldSchidt
WalgreenWalker George WWalterWaltham Standard
WalthamWanYongWardWare
WarnerWarwickWatermanWatkins
WattWattersonWaveTekWayfarer
WayneKerrWBWebcorWebster
WecoWegaWells GardnerWEM
WestburyWestern Air PatrolWestern AutoWestern Electric
Western RoyalWesternWestinghouseWestminster
WestonWestoneWextarkWeymouth
WeyradWharfedaleWhite IbbotsonWhite
WhiteleyWhitleyWholesaleWiking
WilcoWilcox GayWillardWilliam J Murdock
WillysWincoWindsorWings
Wireless SetWireRecorderWoolarocWorkrite
World RadioWQXRWRLWT Grant
WT KnottWundercartWurlitzerXtal
YaesuYamahaYorkYorkville
ZaneyZanusiZaporizhzhyaZenith
ZenitronZentroZephyrZetavox